Adres:
No.233-3 Yangchenghu Yolu, Xixiashu Endüstri Parkı, Xinbei Bölgesi, Changzhou Şehri, Jiangsu Eyaleti
• Üniversal frezeleme takımı tüm çelik malzemelerin ısıl işlemine uygundur. U-oluklu bir yapı tasarımına sahiptir ve hem kaba işleme hem de ince talaş işleme için uygundur.
• Çelik olmayan ve alüminyum malzemelerin işlenmesine de uygundur. Eksiksiz bir teknik özellik ve model yelpazesine ve geniş bir kullanım alanına sahiptir.
| Hayır. | Çap D | R Açısı R | Flüt Uzunluğu Lc | Toplam Uzunluk L | Şaft Çapı d | Bıçak Sayısı F |
| NNC-2R-D1-R0.2 | 1 | 0.2 | 3 | 50 | 4 | 2 |
| NNC-2R-D1-R0.2 | 1 | 0.2 | 3 | 50 | 6 | 2 |
| NNC-2R-D1.5-R0.2 | 1.5 | 0.2 | 4 | 50 | 4 | 2 |
| NNC-2R-D1.5-R0.2 | 1.5 | 0.2 | 4 | 50 | 6 | 2 |
| NNC-2R-D2-R0.2 | 2 | 0.2 | 6 | 50 | 4 | 2 |
| NNC-2R-D2-R0.2 | 2 | 0.2 | 6 | 50 | 6 | 2 |
| NNC-2R-D2-R0.5 | 2 | 0.5 | 6 | 50 | 4 | 2 |
| NNC-2R-D2-R0.5 | 2 | 0.5 | 6 | 50 | 6 | 2 |
| NNC-2R-D3-R0.2 | 3 | 0.2 | 8 | 50 | 3 | 2 |
| NNC-2R-D3-R0.2 | 3 | 0.2 | 8 | 50 | 4 | 2 |
| NNC-2R-D3-R0.2 | 3 | 0.2 | 8 | 50 | 6 | 2 |
| NNC-2R-D3-R0.5 | 3 | 0.5 | 8 | 50 | 3 | 2 |
| NNC-2R-D3-R0.5 | 3 | 0.5 | 8 | 50 | 4 | 2 |
| NNC-2R-D3-R0.5 | 3 | 0.5 | 8 | 50 | 6 | 2 |
| NNC-2R-D4-R0.2 | 4 | 0.2 | 10 | 50 | 4 | 2 |
| NNC-2R-D4-R0.2 | 4 | 0.2 | 10 | 50 | 6 | 2 |
| NNC-2R-D4-R0.5 | 4 | 0.5 | 10 | 50 | 4 | 2 |
| NNC-2R-D4-R0.5 | 4 | 0.5 | 10 | 50 | 6 | 2 |
| NNC-2R-D4-R1 | 4 | 1 | 10 | 50 | 4 | 2 |
| NNC-2R-D4-R1 | 4 | 1 | 10 | 50 | 6 | 2 |
| NNC-2R-D5-R0.5 | 5 | 0.5 | 13 | 50 | 5 | 2 |
| NNC-2R-D5-R0.5 | 5 | 0.5 | 13 | 50 | 6 | 2 |
| NNC-2R-D5-R1 | 5 | 1 | 13 | 50 | 5 | 2 |
| NNC-2R-D5-R1 | 5 | 1 | 13 | 50 | 6 | 2 |
| NNC-2R-D6-R0.2 | 6 | 0.2 | 16 | 50 | 6 | 2 |
| NNC-2R-D6-R0.5 | 6 | 0.5 | 16 | 50 | 6 | 2 |
| NNC-2R-D6-R1 | 6 | 1 | 16 | 50 | 6 | 2 |
| NNC-2R-D8-R0.2 | 8 | 0.2 | 20 | 60 | 8 | 2 |
| NNC-2R-D8-R0.3 | 8 | 0.3 | 20 | 60 | 8 | 2 |
| NNC-2R-D8-R0.5 | 8 | 0.5 | 20 | 60 | 8 | 2 |
| NNC-2R-D8-R1 | 8 | 1 | 20 | 60 | 8 | 2 |
| NNC-2R-D10-R0.2 | 10 | 0.2 | 25 | 75 | 10 | 2 |
| NNC-2R-D10-R0.3 | 10 | 0.3 | 25 | 75 | 10 | 2 |
| NNC-2R-D10-R0.5 | 10 | 0.5 | 25 | 75 | 10 | 2 |
| NNC-2R-D10-R1 | 10 | 1 | 25 | 75 | 10 | 2 |
| NNC-2R-D10-R1.5 | 10 | 1.5 | 25 | 75 | 10 | 2 |
| NNC-2R-D10-R2 | 10 | 2 | 25 | 75 | 10 | 2 |
| NNC-2R-D12-R0.5 | 12 | 0.5 | 30 | 75 | 12 | 2 |
| NNC-2R-D12-R1 | 12 | 1 | 30 | 75 | 12 | 2 |
| NNC-2R-D12-R2 | 12 | 2 | 30 | 75 | 12 | 2 |
| NNC-2R-D12-R3 | 12 | 3 | 30 | 75 | 12 | 2 |
| NNC-2R-D16-R1 | 16 | 1 | 45 | 100 | 16 | 2 |
| NNC-2R-D16-R2 | 16 | 2 | 45 | 100 | 16 | 2 |
| NNC-2R-D16-R3 | 16 | 3 | 45 | 100 | 16 | 2 |
| NNC-2R-D20-R1 | 20 | 1 | 50 | 100 | 20 | 2 |
| NNC-2R-D20-R2 | 20 | 2 | 50 | 100 | 20 | 2 |
| NNC-2R-D20-R3 | 20 | 3 | 50 | 100 | 20 | 2 |
| İşlenmiş Malzemeler | Dökme Demir Sfero Dökme Demir | Karbon Çelik, Alaşımlı Çelik ~750N/mm² | Karbon Çelik, Alaşımlı Çelik ~30HRC | Ön Sertleştirilmiş Çelik, Su Verilmiş ve Temperlenmiş Çelik ~40HRC | Paslanmaz Çelik | Ön Sertleştirilmiş Çelik, Su Verilmiş ve Temperlenmiş Çelik ~50HRC | ||||||
| Çap (mm) | Dönme Hızı (dakika -1 ) | Besleme Hızı (mm/dak) | Dönme Hızı (dakika -1 ) | Besleme Hızı (mm/dak) | Dönme Hızı (dakika -1 ) | Besleme Hızı (mm/dak) | Dönme Hızı (dakika -1 ) | Besleme Hızı (mm/dak) | Dönme Hızı (dakika -1 ) | Besleme Hızı (mm/dak) | Dönme Hızı (dakika -1 ) | Besleme Hızı (mm/dak) |
| 1 | 20000 | 200 | 20000 | 200 | 20000 | 160 | 20000 | 160 | 20000 | 60 | 20000 | 120 |
| 2 | 15000 | 320 | 15000 | 320 | 15000 | 290 | 15000 | 280 | 11150 | 84 | 13000 | 180 |
| 3 | 14000 | 545 | 14000 | 545 | 13000 | 510 | 10600 | 420 | 7500 | 120 | 8500 | 330 |
| 4 | 10800 | 560 | 10800 | 560 | 10000 | 520 | 8000 | 430 | 5500 | 130 | 6500 | 335 |
| 5 | 8200 | 580 | 8200 | 580 | 7600 | 540 | 6400 | 450 | 4500 | 130 | 5000 | 355 |
| 6 | 7000 | 600 | 7000 | 600 | 6400 | 550 | 5300 | 460 | 3700 | 140 | 4200 | 360 |
| 8 | 5200 | 600 | 5200 | 600 | 4800 | 550 | 4000 | 460 | 2800 | 140 | 3200 | 365 |
| 10 | 4200 | 580 | 4200 | 580 | 3800 | 540 | 3200 | 445 | 2200 | 140 | 2500 | 350 |
| 12 | 3500 | 580 | 3500 | 580 | 3200 | 540 | 2650 | 445 | 1850 | 140 | 2100 | 350 |
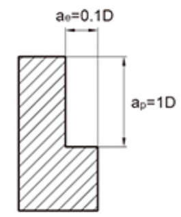
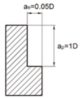
| Maksimum Kesme Derinliği | | | ||||||||||
| Takım Çapı | Kesme Derinliği ap | | |||||||||
∅1| 0.15D | | |||||||||||
∅3| 0.3D | | |||||||||||
1. Yukarıdaki tabloda kenar frezeleme işleme için standart değerler gösterilmektedir. Aletle kanal açarken hız yukarıdaki tablonun %50~%70'i olmalı ve ilerleme hızı standart değer olarak %40~%60 olmalıdır.
2. Lütfen yüksek hassasiyetli takım tezgahları ve takım tutucuları kullanın.
3. Lütfen duman üretme olasılığı daha az olan hava soğutma veya kesme sıvısı kullanın.
4. Kenar frezeleme için sıralı frezeleme kullanılması tavsiye edilir.
Takım tezgahının ve iş parçası kurulumunun sağlamlığı zayıf olduğunda titreşim ve anormal ses meydana gelebilir. Bu durumda yukarıdaki tablodaki hız ve ilerleme oranının yıldan yıla azaltılması gerekir.
6. Takım kullanma uzunluğunu müdahale olmadan mümkün olduğunca en aza indirin.
| Alet Serisi | Çap | Yarıçap | Köşe Yarıçapı | Flüt Uzunluğu | Etkili Uzunluk | Toplam Uzunluk | Şaft Çapı | |||
| D | R | CR | Lc | L1 | L | d | ||||
| NNC Üniversal Karbür Frezeleme Takımları | D0.1~D0.9 | 0 -0,005 | R0.05~R2 | /-0,005 | CR0.05~CR0.5 | /-0,005 | 0 0.2 | 0 0.3 | 0 0.5 | h5 |
| D1.0~D4.0 | 0 -0,008 | 0 0.3 | 0 0.5 | |||||||
| D1.0~D3.5 | 0 -0,008 | R0.5~R1.75 | /-0,005 | CR0.1~CR0.5 | /-0,005 | 0 0.3 | 0 0.5 | 0 0.5 | h6 | |
| D4.0~D11.0 | 0 -0,012 | R2.0~R5.0 | /-0,008 | CR1.0~CR3.0 | /-0,008 | 0 0.5 | ||||
| D12.0~D20.0 | 0 -0,015 | R6.0~R10.0 | /-0.01 | |||||||
NNC-2R 2 kanallı yuvarlak burunlu parmak frezeler, farklı işleme gereksinimlerini karşılamak için çeşitli çap ve yarıçap kombinasyonları sunar. Örneğin, NNC-2R-D1-R0.2 ve NNC-2R-D1.5-R0.5 gibi alt modeller dar alanlarda veya daha küçük iş parçalarında hassas kesim için idealdir; NNC-2R-D4-R2 ve NNC-2R-D6-R3 gibi daha büyük boyutlar ise yüksek hacimli veya derin boşluklu uygulamalar için idealdir. Geniş spesifikasyon yelpazesi, kullanıcıların farklı iş parçası koşullarında en iyi sonuçları elde etmek için takım uzunluğunu, kesme çapını ve takım ucu yarıçapını dengelemesine olanak tanır.
Seri, takım ucundaki stres konsantrasyonunu etkili bir şekilde azaltmak ve kesme yollarını optimize etmek için yuvarlak burun geometrisini benimser ve böylece işleme verimliliğini artırır. Çift kenarlı tasarım, kenar frezelemede talaş tahliyesini artırırken, eğriler ve karmaşık konturlar üzerinde işleme yaparken mükemmel yüzey kalitesini ve stabiliteyi korur. Kavisli kesici kenar, titreşimin en aza indirilmesine yardımcı olur ve yüksek ilerleme ve yüksek hız koşullarında bile mükemmel yüzey kalitesi sağlar.
NNC-2R 2 kanallı yuvarlak burunlu parmak frezeler, tutarlı kalite ve yüksek aşınma direnci sağlamak için hassas CNC taşlanmış sağlam, talaşlanmayan (0,6μm) ince taneli matrise sahiptir. Gelişmiş kaplama teknolojisi sürtünme katsayılarını azaltır ve ısı oluşumunu azaltarak takım ömrünü uzatır.
Bu parmak frezeler çelik, paslanmaz çelik, alüminyum alaşımları ve bakır alaşımları gibi yaygın malzemeler üzerinde yarı ince talaş işleme ve ince talaş işleme işlemleri için uygun olmasının yanı sıra sertleştirilmiş çelik ve kalıp çeliği gibi daha sert malzemeleri de işleyebilir.
Şirket Kuruluşu
Çalışanlar

Changzhou Maton Tools Co., Ltd., ekonomik olarak gelişmiş Yangtze Nehri Deltası bölgesinde yer almaktadır. Fabrika, Çin'de tanınmış bir takım aletleri kasabası olan Xixiashu Yüksek Teknoloji Geliştirme Bölgesi'nde bulunmaktadır. Biz 2 Flüt Yuvarlak Uçlu Frezeler Üreticiler.
Magotantools, ISO9001 kalite sistemini standart olarak benimsemekte, "ürünlerde sıfır hata" ve "hizmette sıfır mesafe" iş felsefesi doğrultusunda, "dürüstlük", "birlik" ve "gelişme" ruhuna dayanarak ve adil ve dürüst bir şirket yönetim tarzını izleyerek faaliyet göstermektedir. Ürün üretimi, Almanya, İsviçre, Japonya vb. ülkelerden beş eksenli ve altı eksenli CNC taşlama ve işleme merkezlerini kullanmakta ve yüksek kaliteli ve nicelikli üretim ihtiyaçlarını karşılamak için Almanya, Japonya ve Çin gibi ülkelerden yüksek hassasiyetli test ekipmanlarıyla donatılmıştır.
Şirket sürekli olarak çeşitli yüksek performanslı CNC takımları geliştirmekte ve çeşitli ulusal ödüller kazanmıştır. Profesyonel 2 Flüt Yuvarlak Uçlu Frezeler Şirket10'dan fazla patente sahip olan şirketin ürünleri ağırlıklı olarak savunma sanayi, havacılık sanayi, otomotiv sanayi, elektronik ürünler ve kalıplar ve diğer alanlarda kullanılmaktadır.
Şirketin çeşitli ürünleri, tanınmış yerli şirketler tarafından kabul görmekte ve tercih edilmektedir. Sonsuz teknoloji, sonsuz yaratıcılık ve mükemmellik arayışıyla Magotan araçları, daha olağanüstü bir güven ve yüksek kaliteli kaliteyle gelecekteki refahı ve hayalleri yazacaktır.
Hafta içi sorguyu aldıktan sonra 12 saat içinde size yanıt vereceğiz.
Biz üreticiyiz, kendimiz üretiyor ve satıyoruz.
Ağırlıklı olarak tungsten çelik freze uçları, matkap uçları ve diğer sert alaşımlı aletler üretiyoruz. Profesyonel 2 Flüt Yuvarlak Uçlu Frezeler Üreticiler.
Ürünlerimiz neredeyse tüm kalıp endüstrisini, savunma sanayini, havacılık sanayini, otomotiv sanayini, elektronik ürünleri ve diğer alanları kapsamaktadır.
Evet, ana odak noktamız özelleştirilmiş ürünlerdir. Müşterilerimiz tarafından sağlanan çizimlere veya örneklere göre ürünler geliştiriyor ve üretiyoruz. Özel 2 Flüt Yuvarlak Uçlu Frezeler.
Almanya'dan WALTER, Japonya'dan Makino, İsviçre'den ROLLMATIC ve İsviçre'den TTB'den 30'dan fazla ünitemiz bulunmaktadır ve yıllık üretim değerimiz 80 milyon RMB'dir. Biz 2 Flüt Yuvarlak Uçlu Frezeler Şirket
Öncelikle, her işlemden sonra ilgili kontrolleri yapıyoruz. Nihai ürün için, müşteri gereksinimlerine ve uluslararası standartlara göre %100 tam kontrol yapacağız;
Daha sonra, spektral analizörler, metalografik mikroskoplar vb. gibi sektördeki gelişmiş ve eksiksiz birinci sınıf test ekipmanlarına sahibiz; bu da kesici takımların stabilitesini ve tutarlılığını sağlarken, müşterilerin kesici takımlar için yüksek hassasiyetli test gereksinimlerini karşılayabilir.
Fiyat teklifi verirken, işlem yöntemini (FOB, CIF, CNF veya diğer seçenekler) sizinle teyit edeceğiz. Toplu üretimde genellikle önce %30 ön ödeme yapıyoruz ve kalan bakiyeyi konşimento ibraz edildiğinde ödüyoruz. Çoğunlukla ödeme yöntemi olarak T/T kullanıyoruz, ancak L/C de kabul edilebilir.